Skip to content

andreabazerla/ops-wheel

Folders and files

NameName
Last commit message
Last commit date

Latest commit

 

History

6 Commits
 
 
 
 
 
 
 
 

Repository files navigation

OPSwheel

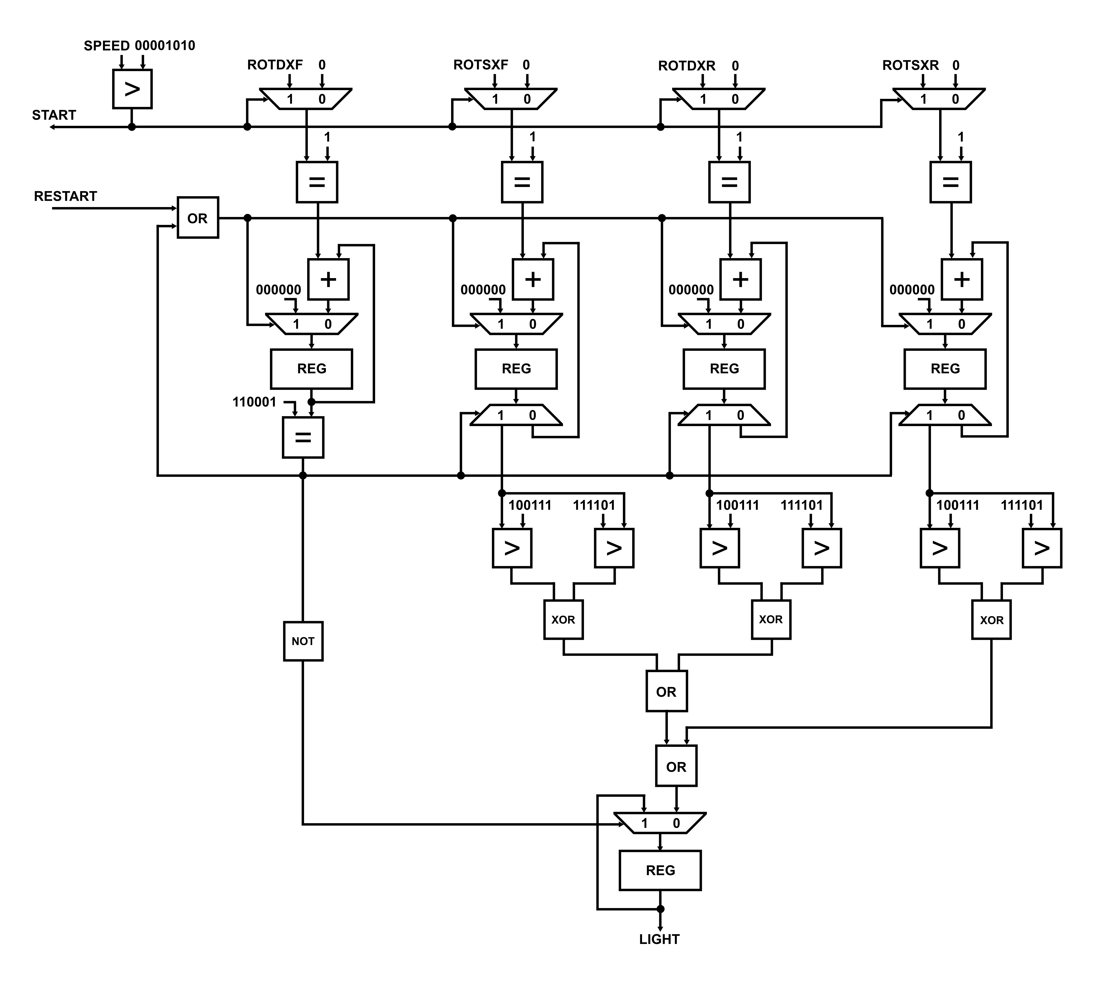
Car system to signal a wheel punctured on display, created in SIS with documentation.

Project

  • src: project files .blif
  • doc: exam & documentation (FSM + Datapath)

FSM

Datapath

License

Created by @AndreaBazerla
Released under The MIT License

About

Car system to signal a wheel punctured on display developed in SIS

Topics

Resources

License

Stars

Watchers

Forks

Releases

No releases published

Packages

No packages published